L00.0315.X-MJ-MPT220

Артикул
L00.0315.X-MJ-MPT220
TACTIC
пластина для фрезерных корпусов L00.0315.X-MJ-MPT220 бренд TACTIC
пластина для фрезерных корпусов бренд TACTIC
Тип
Пластина фрезерная твердосплавная
d
2.8
Бренд
TACTIC
Геометрия
LNMU
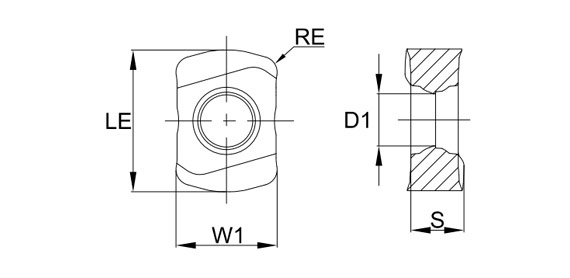
W1
6
S
3.2
LE (L)
11.87
Размер фрезерной пластины
03
Обрабатываемый материал
P
Сплав пластины
MPT220
RE, мм (r)
1.5
Форма пластины
Прямоугольник 90°
Количество на складе
192

Другие фрезерные пластины этой серии